石家庄品茶QQ方式,400元3小时上门二维码,深圳新茶嫩茶VX

山东山维液压机械有限公司 欢迎您!  液压千斤顶|德州液压 设为首页  |  加入收藏
产品展示   |   质量为先、诚信为本、互惠互利!

当前位置:主页 > 产品展示 > 公司产品

DSC系列电动油泵

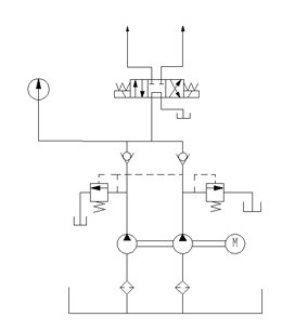
产品介绍:DSC电动油泵,最大特点是增加了电磁阀,与PLC计算机或远程遥控相结合,可以轻松实现智能调节和远程控制。内有高低压油泵,双出油口,适用于双作用油缸。

原理图:



DSC系列技术参数表


主站蜘蛛池模板: 林周县| 深泽县| 邯郸市| 泗阳县| 乐清市| 大城县| 孝感市| 称多县| 周至县| 建湖县| 察隅县| 金平| 永嘉县| 尉氏县| 小金县| 安阳市| 新河县| 巧家县| 汝阳县| 黄石市| 滁州市| 卢湾区| 承德市| 锡林浩特市| 石棉县| 阳新县| 秦皇岛市| 高淳县| 文成县| 航空| 平顺县| 额济纳旗| 镇远县| 九台市| 东辽县| 商城县| 象山县| 丰顺县| 阿克苏市| 婺源县| 黑水县|